INTEL CORPORATION
ETHEREXPRESS PRO/100+ MANAGEMENT ADAPTER (PILA8900)
|
Card Type |
Network Interface Card |
|
NIC Type |
Ethernet |
|
Maximum Onboard Memory |
6KB FIFO |
|
Boot ROM |
Available |
|
Network Transfer Rate |
100Mbps/10Mbps |
|
Topology |
Star |
|
Wiring Type |
Unshielded twisted pair |
|
Data Bus |
32-bit PCI |
|
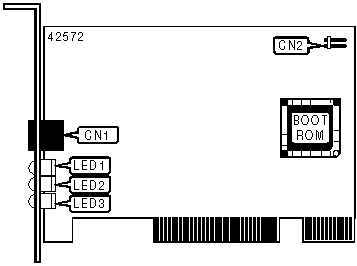
CONNECTIONS | |||
|
Function |
Label |
Function |
Label |
|
RJ-45 UTP connector |
CN1 |
Wake on LAN connector |
CN2 |
|
DIAGNOSTIC LED(S) | |||
|
LED |
Color |
Status |
Condition |
|
LED1 |
Unidentified |
On |
Network connection is good |
|
LED1 |
Unidentified |
Off |
Network connection is not good |
|
LED2 |
Unidentified |
Blinking |
Data is being received or sent |
|
LED2 |
Unidentified |
Off |
Data is not being received |
|
LED3 |
Unidentified |
On |
Operating at 100 Mbps |
|
LED3 |
Unidentified |
Off |
Operation at 10 Mbps |